Home
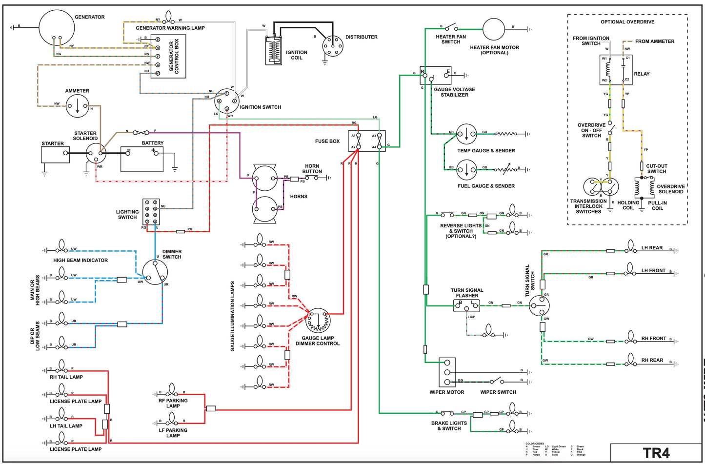
Triumph TR4 Wiring Diagram
Triumph TR4 Wiring Diagram
$0.01 USD
$0.01 USD
Oferta
Agotado
Los gastos de envío se calculan en la pantalla de pago.
Only -24 units left
No se pudo cargar la disponibilidad de retiro
Secure checkout with
About the Product
- Put in your cart.
- Complete the checkout (include your email address), and
- You will receive an email with the link to download the file.
