Home
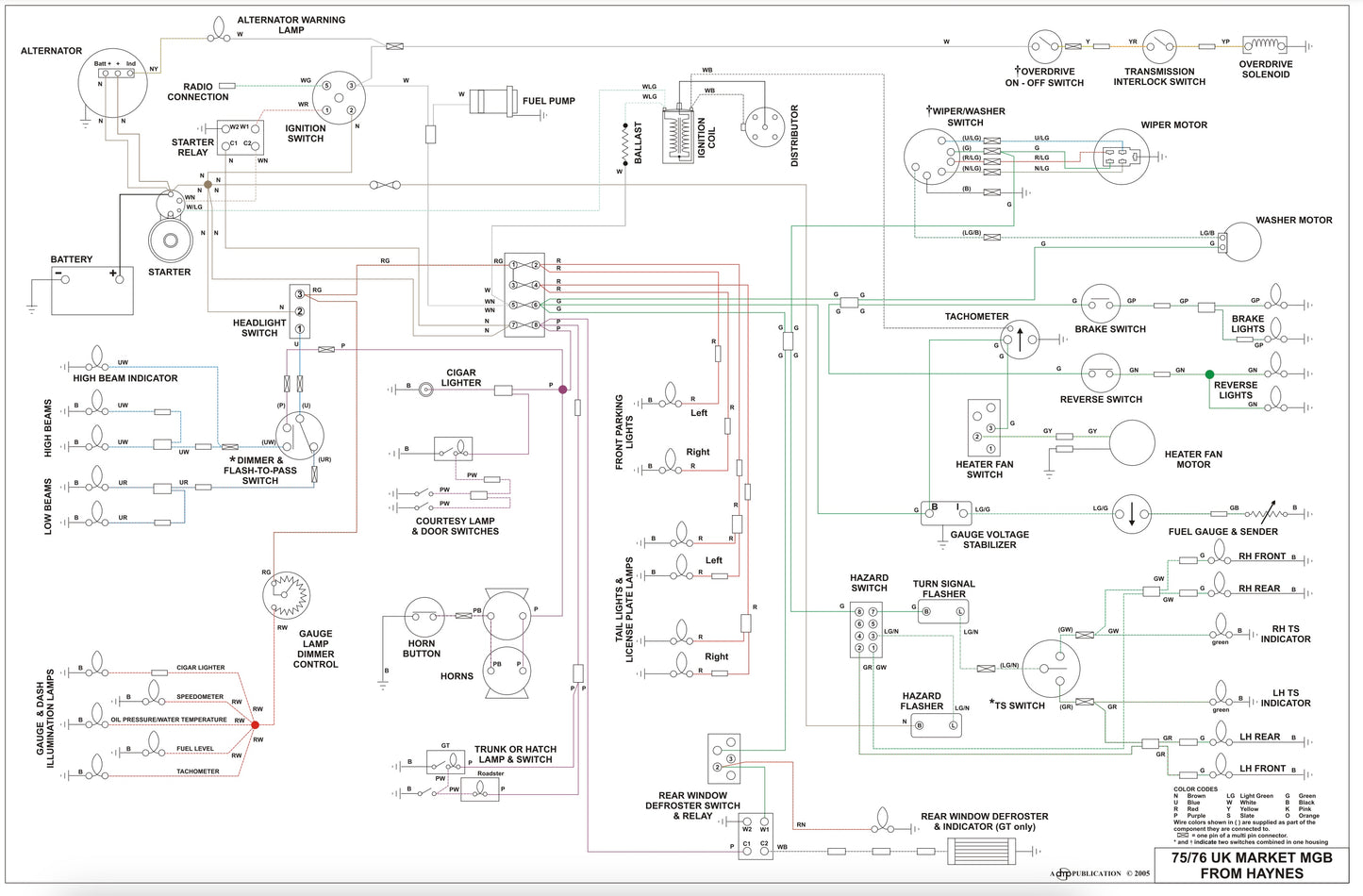
MGB Wiring Diagram (1975-1976)
1
/
of
1
MGB Wiring Diagram (1975-1976)
$0.01 USD
$0.01 USD
Sale
Sold out
Shipping calculated at checkout.
Only -36 units left
Couldn't load pickup availability
Secure checkout with
About the Product
- Put in your cart.
- Complete the checkout (include your email address), and
- You will receive an email with the link to download the file.
