Home
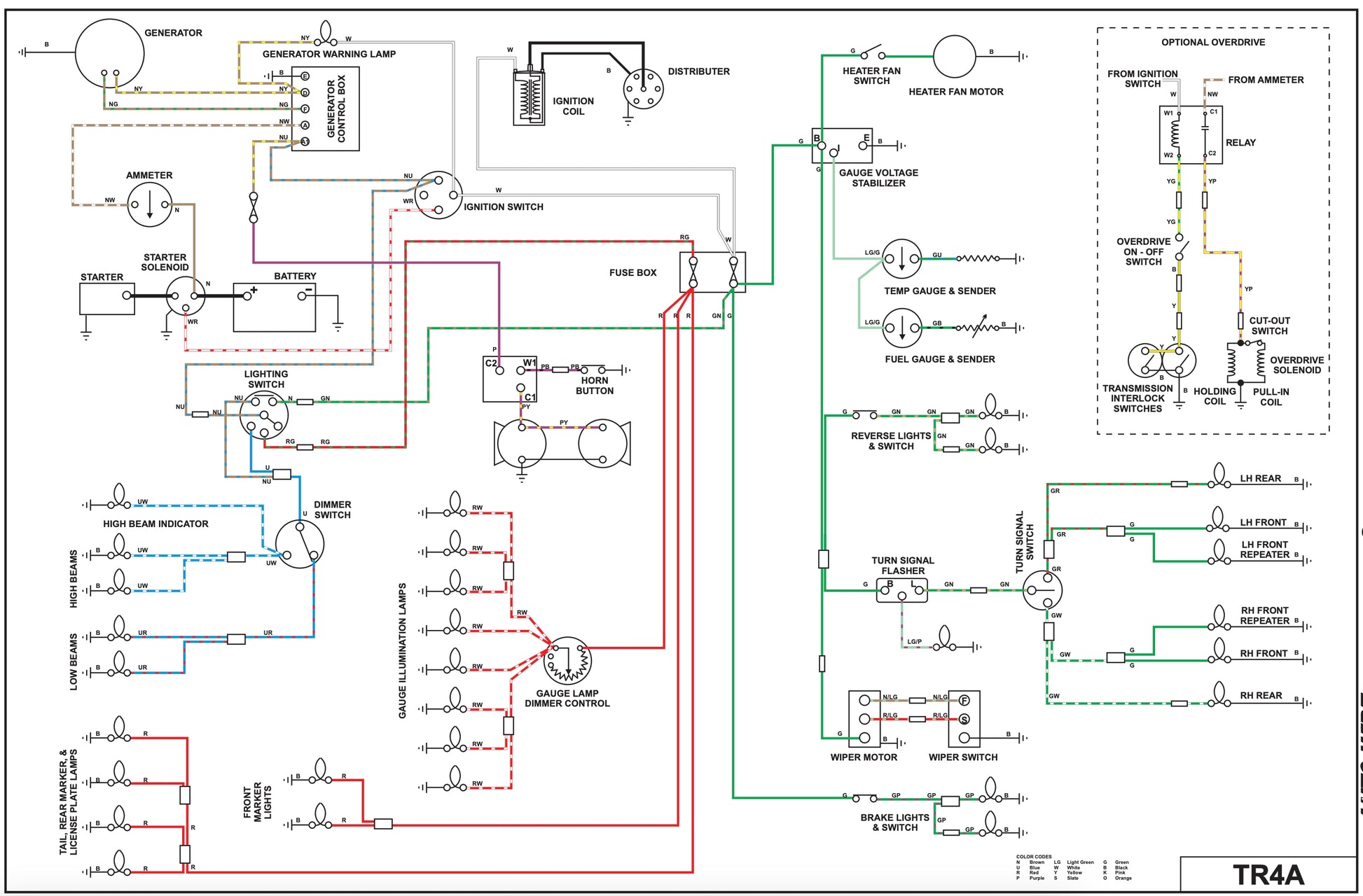
Triumph TR4a Wiring Diagram
1
/
of
1
Triumph TR4a Wiring Diagram
$0.01 USD
$0.01 USD
Sale
Sold out
Shipping calculated at checkout.
Only -10 units left
Couldn't load pickup availability
Secure checkout with
About the Product
- Put in your cart.
- Complete the checkout (include your email address), and
- You will receive an email with the link to download the file.
